
发卖:17346546283
发卖:010-68465926
技术:18611287598
接转传真:010-68465926
Q Q:3226344213
邮箱账号:info@03tq.com
地點:长沙市市海淀区大慧寺16号北区20号楼另一层105室

GOLDY-10AF-MC型激光铝水液位计
时候:2025-06-05 06:23

一、概述:
GOLDY-10AF-MC型皮秒激光铝水液位计适用于对各项铝熔炼炉、铝液流槽、铝浇铸等工作状况下的铝水液面高止住测量。● RS485Modbus、4~20mA、RS232三种(zhong)旌旗灯号输入体例
● 丈量精度<±1mm,分(fen)辩率0.1mm
● 利用白色可见激光束,丈量规模可达(da)10米
● 可调节(jie)支(zhi)架,易于装(zhuang)置调剂
● 双层合金铝(lv)外壳,规(gui)范快🦂插接口,可通紧缩氛围冷却(que)和(he)光路吹🌼扫
二、手艺数据:
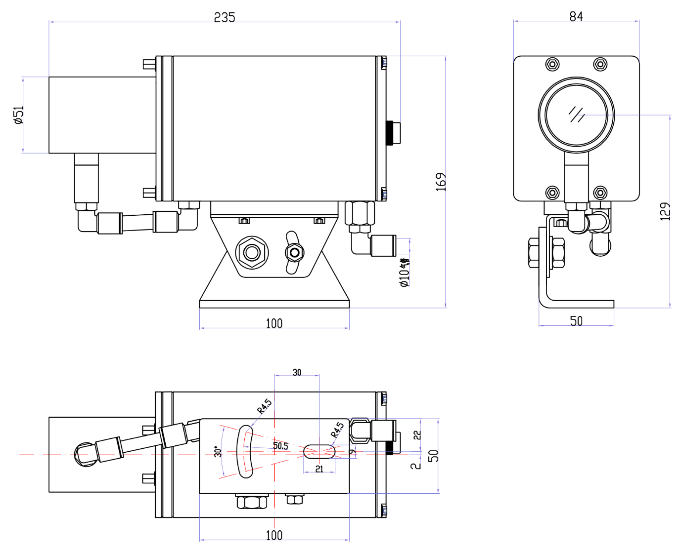
三、形状尺寸:
四、可选附件:
下一篇:不了 上一篇:激光铝水液位计



