
发卖:17346546283
发卖:010-68465926
一技之长:18611287598
接转传真:010-68465926
Q Q:3226344213
电子邮件:info@03tq.com
单位地址:成都市海淀区大慧寺16号北区20号楼那层105室

GOLDS-10AL型激光铝水液位计
时候:2025-02-27 20:44

一、概述:
GOLDS-10AL型机光铝水液位计可以使用于对各种各样工况法下的铝水液面层面进行测量。💝 ● 开关量(liang)、摹拟(nཧi)量(liang)电(dian)压或(huo)电(dian)流(liu)三种旌旗灯(deng)号输入(ru)体(ti)例
● 丈量(liang)精度<±2mm,分辩率1mm
● 利用白(bai)色可见激光束,丈量规模可达10米
● 四位数码显现(xian),按键设置(zhi)参数,易于(yu)操纵(zong)
● 产(chan)业级外壳,规范快(kuai)插(cha)接(jie)口,可通紧缩氛围冷却
二、手艺数据:
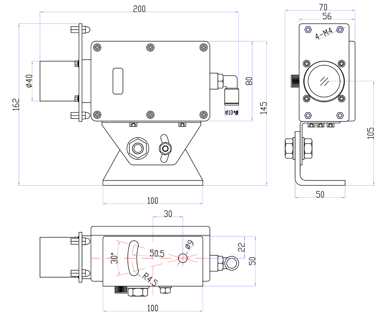
三、形状尺寸:
四、可选附件:



