
发卖:17346546283
发卖:010-68465926
活儿:18611287598
座机:010-68465926
Q Q:3226344213
163邮箱:info@03tq.com
单位地址:济南市海淀区大慧寺1号北区20号楼一次105室

HMLDM-DM20HT-PN型低温激光测距仪
时候:2025-10-16 20:25

一、概述:
HMLDM-DM20HT-PN型低温环境制冷的效果激光机器测距仪赛丽石使用于低温环境制冷的效果固状、固体的主导地位、的尺寸、高的仗量。途经时候profinet微波通信体例将资料无线传输为先位人体细胞系。𒅌 ● 丈(zhang)量(liang)低温物体(ti),𒅌能坚(jian)持很(hen)高的丈(zhang)量(liang)精(jing)度和(he)靠得住性
● 丈量精度<±1m🤡m,分(fen)辩率0.1mm,反复性(xing)&✱plusmn;0.5mm
● 利用白色(se)可见激光束,丈量规模可达30米(mi)
● 规范的profinet接口,矫捷靠得住
● 不(bu)锈钢外壳,可通水、气停止冷却(que)
二、手艺数据:
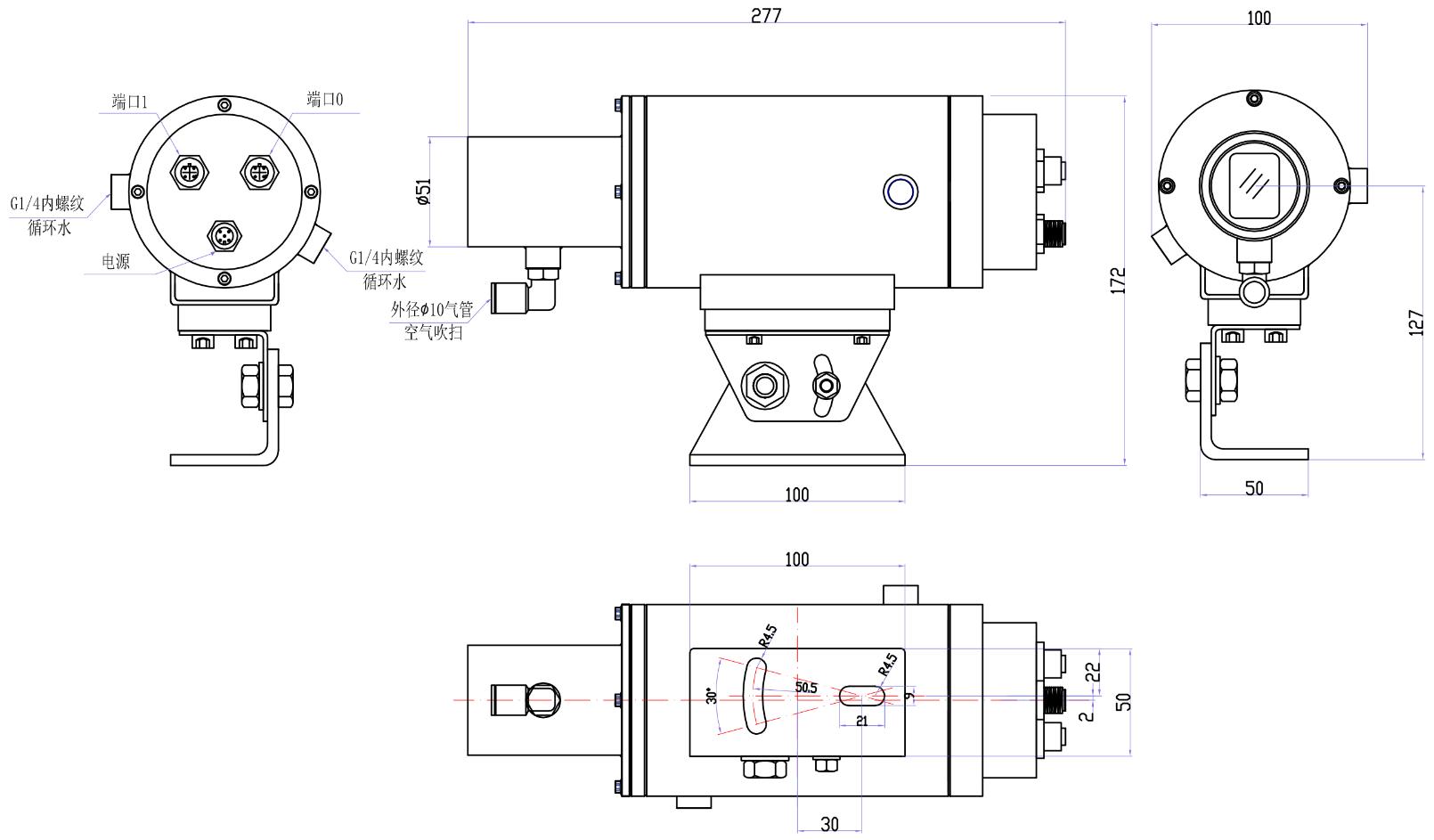
三、形状尺寸:
四、可选附件:



