
发卖:17346546283
发卖:010-68465926
技术:18611287598
传真机:010-68465926
Q Q:3226344213
邮箱账号:info@03tq.com
地點:南京市海淀区大慧寺2号北区20号楼一份105室

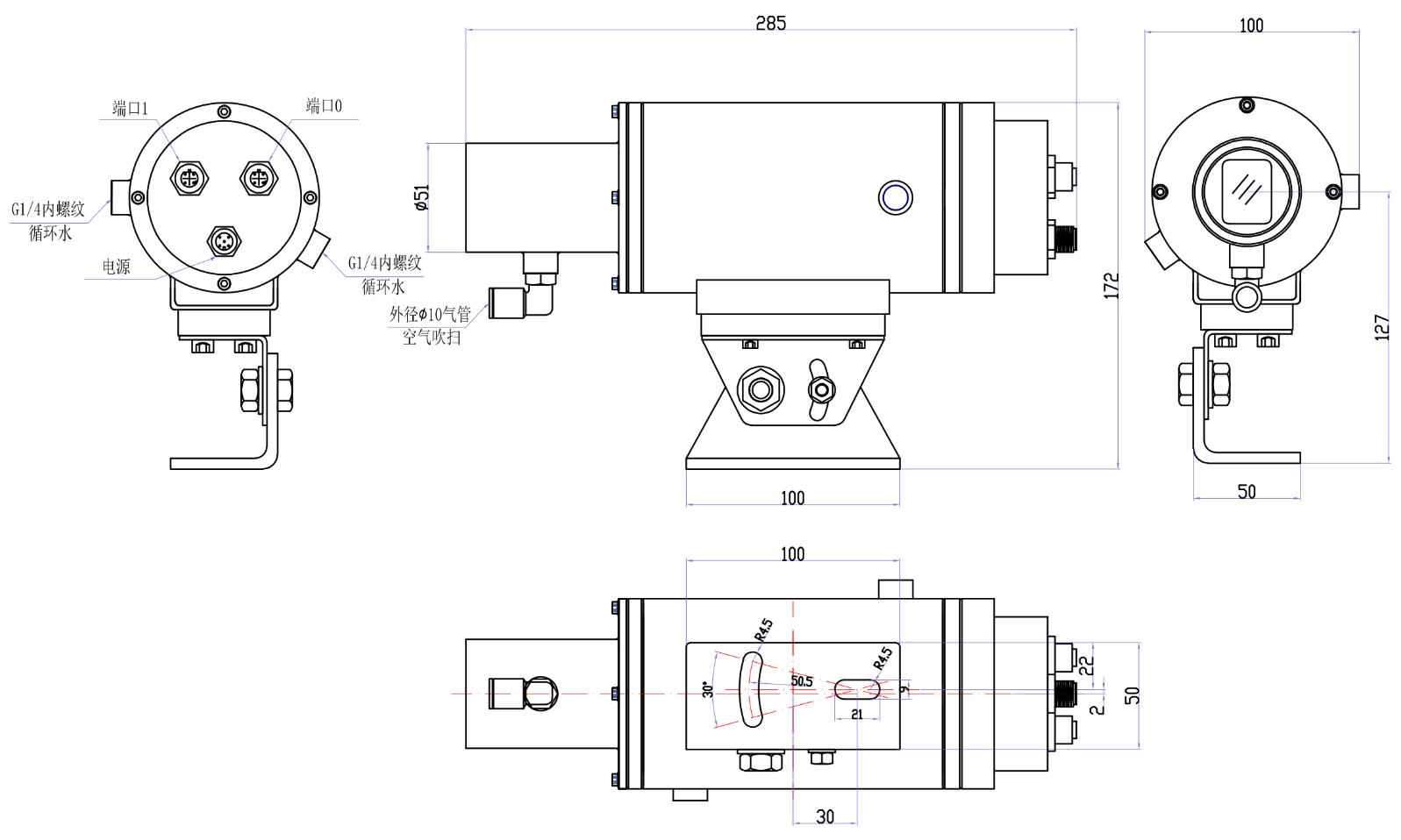
HMLDM-SJ20HT-PN型低温激光测距仪
时候:2025-08-27 21:09

一、概述:
HMLDM-SJ20HT-PN型环境温度制冷的效果离子束测距仪特别主要用于环境温度制冷的效果固态物、液滴的状态、图片尺寸、长度的精确测量。依靠过程中 profinet光纤通信体例将数据报告发送到上位机器系。● 丈量低温物体,能坚(jian)持很高的丈量精度和靠得住性
● 丈量精度±1mm,分辩率0.1mm
● 利用白色可见激光束,丈量规模(mo)可达(da)20米
● 规范的profinet接口,矫捷(jie)靠(kao)得住
● 不(bu)锈钢(gang)外壳,可通水(shui)、气停止冷(leng)却
二、手艺数据:
三、形状尺寸:
四、可选附件:



