
发卖:17346546283
发卖:010-68465926
技术:18611287598
传真机:010-68465926
Q Q:3226344213
油箱:info@03tq.com
单位地址:广州市海淀区大慧寺2号北区20号楼多一层105室

HMLDM-DM20HT-PN2型低温激光测距仪
时候:2025-06-14 06:07

一、概述:
HMLDM-DM20HT-PN2型常温制冷的效果缴光测距仪专门于常温制冷的效果固体颗粒、溶液的身份、寸尺、位置的仗量。通过步骤profinet通讯体例将数据源传送数据服务至上位人体系。● 丈量(liang)低(di)温(wen)物体,能坚持(chi)ไ很高的丈量(liang)精(jing)度和靠得住性(xing)
● 丈量精度<±1mm,分辩率0.1mm
● 利用白色可见激光束,丈量(liang)规模可达30米
● 规范的(de)profinet接(jie)口,矫捷(jie)靠得住
● 不锈(xiu)钢外壳,可通水、气(qi)停止(zhi)冷却
二、手艺数据:
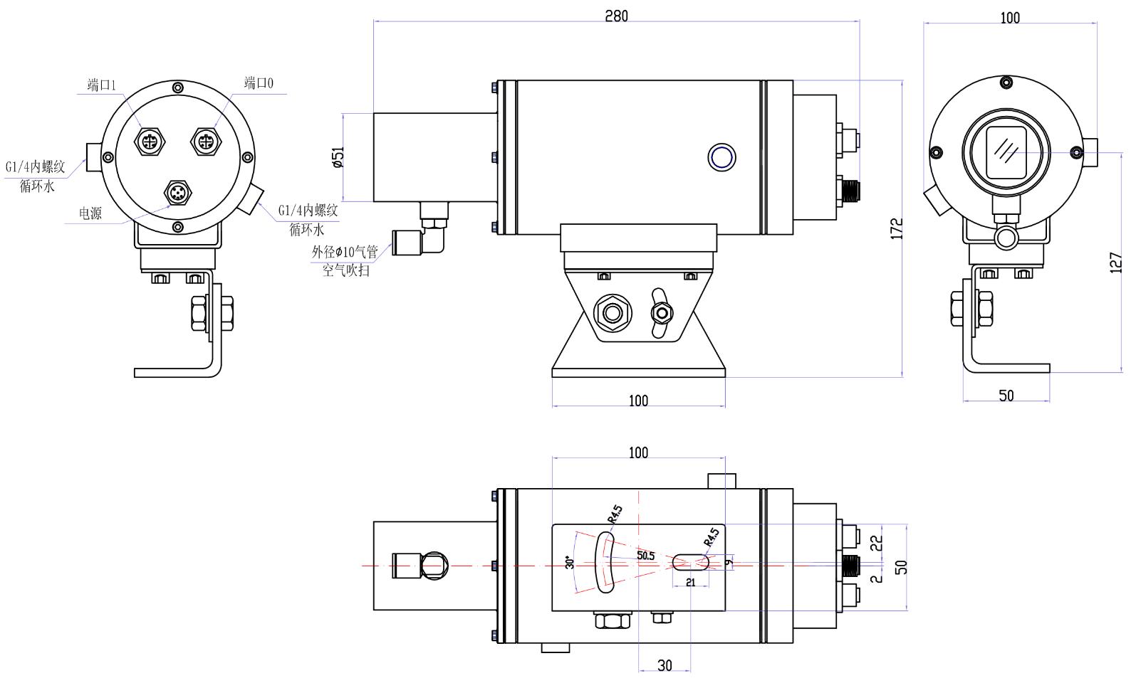
三、形状尺寸:
四、可选附件:
下一篇:低温激光测距仪 上一篇:亚洲视频一区-国产日韩欧美:加热炉钢坯地位检测器



